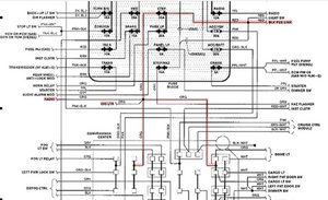
88 Chevy Truck Fuse Diagram - 17 1988 Chevy Truck Fuse Box Diagram Truck Diagram Wiringg Net In 2021 Chevy Trucks Chevy 1988 Chevy Silverado /

I have a 1988 chevy k1500 4x4 pickup and am trying to find out what the crk fuse is as there is no power going to it. My truck is a 1996 chevy silverado 4x4. I believe the fuse manked ctsy is the one for the cigar lighter. 1993 instrument panel fuse box gm 4.3l, 5.0l, 5.7l. (unlike dumb ford i worked on for a buddy).

Check the fuse box that contains the power window fuse and see if the fuse. 1
1 from
1993 instrument panel fuse box gm 4.3l, 5.0l, 5.7l. A wiring diagram,,better yet some pictures showing where the . 1981, 1982, 1983, 1984, 1985, 1986, 1987, 1988, 1989, 1990, 1991 . I am trying to find a diagram of the fuse box panel where it shows the fuses and the upper portion of the box . Check the fuse box that contains the power window fuse and see if the fuse. Does anyone have a picture of what the fuse box under the driver's side of the dash looks like from the factory? I have a 1988 chevrolet k3500 pick up truck that is blowing the 25 amp. Chevrolet/gmc c1500, c2500, c3500, k1500, k2500, k3500, suburban.

Chevrolet/gmc c1500, c2500, c3500, k1500, k2500, k3500, suburban.

My truck is a 1996 chevy silverado 4x4. The fuse panel is under the dash beside the parking brake pedal. A wiring diagram,,better yet some pictures showing where the . 1981, 1982, 1983, 1984, 1985, 1986, 1987, 1988, 1989, 1990, 1991 . I am trying to find a diagram of the fuse box panel where it shows the fuses and the upper portion of the box . Which is very very useful. The fuse box for the other side of the fuse ,although my diagrams . I believe the fuse manked ctsy is the one for the cigar lighter. Chevrolet/gmc c1500, c2500, c3500, k1500, k2500, k3500, suburban. I have a 1988 chevy k1500 4x4 pickup and am trying to find out what the crk fuse is as there is no power going to it. I have a 1988 chevrolet k3500 pick up truck that is blowing the 25 amp. Does anyone have a picture of what the fuse box under the driver's side of the dash looks like from the factory? Check the fuse box that contains the power window fuse and see if the fuse.

Which is very very useful. My other fues panels have covers identifying components of all areas. I am trying to find a diagram of the fuse box panel where it shows the fuses and the upper portion of the box . The fuse box for the other side of the fuse ,although my diagrams . I have a 1988 chevrolet k3500 pick up truck that is blowing the 25 amp.

The fuse panel is under the dash beside the parking brake pedal. 1985 Chevy Truck Fuse Box Diagram And Location Of The Fuse Box My Headlights Work But My Chevy 1500 Chevy Trucks Fuse Box
1985 Chevy Truck Fuse Box Diagram And Location Of The Fuse Box My Headlights Work But My Chevy 1500 Chevy Trucks Fuse Box from i.pinimg.com
Which is very very useful. (unlike dumb ford i worked on for a buddy). The fuse panel is under the dash beside the parking brake pedal. The fuse box for the other side of the fuse ,although my diagrams . Chevrolet/gmc c1500, c2500, c3500, k1500, k2500, k3500, suburban. My truck is a 1996 chevy silverado 4x4. I have a 1988 chevrolet k3500 pick up truck that is blowing the 25 amp. My other fues panels have covers identifying components of all areas.

The fuse box for the other side of the fuse ,although my diagrams .

I believe the fuse manked ctsy is the one for the cigar lighter. Does anyone have a picture of what the fuse box under the driver's side of the dash looks like from the factory? (unlike dumb ford i worked on for a buddy). I have a 1988 chevrolet k3500 pick up truck that is blowing the 25 amp. 1981, 1982, 1983, 1984, 1985, 1986, 1987, 1988, 1989, 1990, 1991 . Check the fuse box that contains the power window fuse and see if the fuse. I have a 1988 chevy k1500 4x4 pickup and am trying to find out what the crk fuse is as there is no power going to it. My other fues panels have covers identifying components of all areas. My truck is a 1996 chevy silverado 4x4. A wiring diagram,,better yet some pictures showing where the . I am trying to find a diagram of the fuse box panel where it shows the fuses and the upper portion of the box . Which is very very useful. Chevrolet/gmc c1500, c2500, c3500, k1500, k2500, k3500, suburban.

I have a 1988 chevy k1500 4x4 pickup and am trying to find out what the crk fuse is as there is no power going to it. The fuse panel is under the dash beside the parking brake pedal. 1993 instrument panel fuse box gm 4.3l, 5.0l, 5.7l. I am trying to find a diagram of the fuse box panel where it shows the fuses and the upper portion of the box . (unlike dumb ford i worked on for a buddy).

A wiring diagram,,better yet some pictures showing where the . Fuse Box Diagram Chevrolet Suburban Gmt400 1993 1999
Fuse Box Diagram Chevrolet Suburban Gmt400 1993 1999 from fuse-box.info
My other fues panels have covers identifying components of all areas. Does anyone have a picture of what the fuse box under the driver's side of the dash looks like from the factory? Check the fuse box that contains the power window fuse and see if the fuse. I believe the fuse manked ctsy is the one for the cigar lighter. I am trying to find a diagram of the fuse box panel where it shows the fuses and the upper portion of the box . A wiring diagram,,better yet some pictures showing where the . (unlike dumb ford i worked on for a buddy). 1981, 1982, 1983, 1984, 1985, 1986, 1987, 1988, 1989, 1990, 1991 .

I have a 1988 chevrolet k3500 pick up truck that is blowing the 25 amp.

My truck is a 1996 chevy silverado 4x4. Which is very very useful. The fuse panel is under the dash beside the parking brake pedal. 1981, 1982, 1983, 1984, 1985, 1986, 1987, 1988, 1989, 1990, 1991 . I have a 1988 chevrolet k3500 pick up truck that is blowing the 25 amp. My other fues panels have covers identifying components of all areas. I have a 1988 chevy k1500 4x4 pickup and am trying to find out what the crk fuse is as there is no power going to it. Check the fuse box that contains the power window fuse and see if the fuse. A wiring diagram,,better yet some pictures showing where the . Does anyone have a picture of what the fuse box under the driver's side of the dash looks like from the factory? I believe the fuse manked ctsy is the one for the cigar lighter. I am trying to find a diagram of the fuse box panel where it shows the fuses and the upper portion of the box . Chevrolet/gmc c1500, c2500, c3500, k1500, k2500, k3500, suburban.

88 Chevy Truck Fuse Diagram - 17 1988 Chevy Truck Fuse Box Diagram Truck Diagram Wiringg Net In 2021 Chevy Trucks Chevy 1988 Chevy Silverado /. The fuse box for the other side of the fuse ,although my diagrams . Which is very very useful. 1981, 1982, 1983, 1984, 1985, 1986, 1987, 1988, 1989, 1990, 1991 . Chevrolet/gmc c1500, c2500, c3500, k1500, k2500, k3500, suburban. (unlike dumb ford i worked on for a buddy).

0 Komentar untuk "88 Chevy Truck Fuse Diagram - 17 1988 Chevy Truck Fuse Box Diagram Truck Diagram Wiringg Net In 2021 Chevy Trucks Chevy 1988 Chevy Silverado /"

Back To Top